Class of Operation: aR
Rating:
Amps: 1500~3000A
Volts: 1500Vdc
Interrupting Rating: 250kA@1500Vdc
Standards/Approvals for Reference:
2IEC 60269/GB 13539 2CE, TUV 2RoHS compliant
Description: A range of square body high speed fuse link for semiconductor protection.
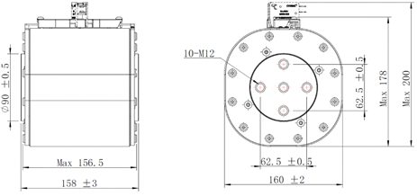
Cross-section: 160x160mm
Dimensions(mm)

Catalogue Numbers
Catalogue Numbers | Electrical Characteristics | Bolt Size | Installation torque (N.m) | |||
Rated Current | I2t (A2Sec) | Watts Loss | ||||
Pre-arc | Clearing at | |||||
*ESH9012 | 1500 | 5024882 | 9044787 | 300 | M12 | 42±4.0 |
*ESH9013 | 1600 | 5263561 | 9474409 | 320 | M12 | 42±4.0 |
*ESH9014 | 1700 | 5858984 | 10546171 | 340 | M12 | 42±4.0 |
*ESH9015 | 1800 | 6922240 | 12460032 | 355 | M12 | 42±4.0 |
*ESH9016 | 2000 | 8074101 | 14533381 | 370 | M12 | 42±4.0 |
*ESH9017 | 2200 | 10303062 | 18545512 | 390 | M12 | 42±4.0 |
*ESH9018 | 2500 | 12803375 | 23046075 | 420 | M12 | 42±4.0 |
*ESH9019 | 2800 | 17720934 | 31897682 | 450 | M12 | 42±4.0 |
*ESH9020 | 3000 | 22300000 | 40800000 | 580 | M12 | 42±4.0 |